【卡车之家 原创】关注“卡家实验室”的卡友们应该都知道,之前我们曾经对河北亿利针对售后市场推出的芯动力空气滤芯进行了评测,芯动力的过滤质量、滤纸厚度以及整体品质都给各位卡友留下了十分深刻的印象。没看过可以点击“原厂≠高价 亿利芯动力空滤器实车测试”
国六车型马上就要大规模上市了,它对于空气质量的要求,相对国四国五来说,要更为严格,因为国六车型在用阶段的排放数据是实时上传的,如果空滤质量不好,造成发动机早期磨损,尾气排放必然难以达标,对于我们卡友来说,可是要被处罚的。为此河北亿利新推出了金亿利品牌纳米空滤,以满足市场对高端空滤的需求。
首先进行个小科普。河北亿利是目前国内重卡行业数一数二的过滤产品供应商,如果你买了新车,不妨打开滤清器的外壳看看十有八九装配的就是亿利旺德福品牌的滤清器,因为它是做原厂配套的。
为了更加直观的对比出金亿利纳米级空滤的过滤效果,我们找来了另外两款市面在售的纳米空滤,分别是国产小厂以及进口品牌。看看谁才是最后的赢家。
● 暴力拆解对比滤纸 能有什么区别?
秉承卡家实验室的一贯作风,暴力拆解肯定少不了。拆解后会通过单张滤纸对比的方法看看它们之间有什么区别。
首先是金亿利纳米空滤,单从外观上来看这种纳米滤纸与我们普通的空滤滤纸并没有太大差别,只是正反面的颜色会有所差异,因为涂有纳米涂层的一面颜色偏浅。
国外品牌的纳米滤纸拆下后,外观上与金亿利的纳米空滤是比较相似的,除纳米涂层的颜色偏白以外,厚度等都差异不大。
反观国产小厂纳米空滤,正反面颜色也有很大差异。所以单从外观上是无法区分滤纸性能优劣,这也给咱们卡友选择配件时造成困扰。所以到底哪个好,试验才是硬道理。
● 防水测试 性能优劣一试便知
在日常用车过程中难免遇到下雨等空气湿度较大的天气,防水性能不好,滤清器阻力变大,也会导致车辆油耗偏高。所以作为一款纳米空滤,防水性能也是重要的考核标准之一。
对三款滤清器的滤纸进行取样,将有纳米涂层的一面当作碗底折成纸碗形状,并向纸碗中倒入清水,看看三款纳米滤纸是否真防水,在水泡之后强度怎么样!
首先金亿利的纳米空滤,没有任何的水渗透下去。给人感觉承载水的不像是一张纸,更像是把水倒在了荷叶上。水可以在纸碗底部来回流动,没有出现漏水情况。
用手在上面来回的揉搓,没有产生任何纸屑,只是发生了颜色上的变化,这就说明了纳米涂层喷涂的十分均匀,强度很高,表现十分出色。
进口品牌纳米空滤表现与金亿利很像,水也没有渗透的迹象,说明纳米涂层的质量与滤纸基材也确实对得起进口品牌的身份和价格。
用手指来回摩擦也并无碎纸屑产生,与金亿利相差无几,如果进行盲猜可能也只有从外观颜色能分辨出来金亿利和进口品牌!
再来看国产小厂的纳米滤纸,水倒在上面后很快就被吸了进去,感觉类似于卫生纸,可以说防水性能基本等于0。
用手进行挫划,国产小厂品牌的滤纸就变成了纸泥,强度无法保证。虽然是宣称的纳米级空滤,但是对于这个效果,只能说与普通的纸质空滤没什么两样,达不到纳米空滤的标准。
通过防水性能的测试,可以看出在防水性上金亿利完全吊打国产小厂品牌的滤纸,并保持了和进口品牌相同的性能水平,不分伯仲。
● 上台架测试真功夫 数据咋样一目了然
经过了前两轮的测试,这三款纳米空滤的质量差异已经十分明显了,但是光通过实践还是不太具有说服力,配合上数据才是硬道理。
检测数据的测试台架可以测出一款滤纸的压差和穿透率,这两个数据分别代表了滤纸的进气阻力,以及过滤性能,进气阻力关系到空滤装车使用后会不会造成发动机进气不畅,过滤精度是滤芯过滤质量。
● 金亿利
最先测试的是金亿利纳米滤纸,为确保公正性,测试时会挑选滤纸的两块不同点位进行测试。穿透率数据是通过100个0.3微米直径的颗粒物,会有多少穿过滤纸进行测算,确保数据精准。
金亿利滤纸经测数据为:
第一点位 压差65.62 穿透率为 67.934
第二点位 压差68.59 穿透率为 69.253
数据整体差别不大,说明金亿利的滤纸能够在进气阻力和过滤性能数据上达到一个十分平衡的点,既确保了进气阻力不会过大,又能保证较高的过滤精度。性能十分出色,可以说是一位全能选手。
● 国外品牌
进口品牌的也进行了测试,数值分别为:
第一点位 压差78.45 穿透率71.185
第二点位 压差 84.13 穿透率73.14
国外品牌的滤纸在穿透率和压差两个数据上都要大于金亿利的纳米空滤,性能优势并不明显.如果把压差和穿透当作一个天平的话,国外品牌的天平明显更偏向于进气阻力更低,过滤精度差强人意。
● 国内小厂
最后就是国产小厂的测试数据:
第一点位 压差 108.84 穿透率67.934
第二点位 压差 107.37 穿透率67.909
国产小厂的数据上看,明显过滤精度更高,但是进气阻力过大,这也就会导致咱们在装车使用时会出现油耗过高,动力不足等情况,所以通过数据对比来看,金亿利在这三款产品中表现最优益,既有高精度又有低阻力,可谓两全其美。
● 性能优劣差多少 显微镜下见真章
纳米级别的空气滤芯最大的技术难点在于,如何确保纳米涂层不会脱落。谁家的纳米涂层强度高,谁家的空滤质量就好。
强度测试还是通过对比的方式进行测试,我们将对国产小厂、进口品牌以及金亿利的滤纸各取一块用笔在上面做出标记将打叉的一块用手进行揉搓,没打叉的地方保持原样,同时放置在显微镜下观察区别。
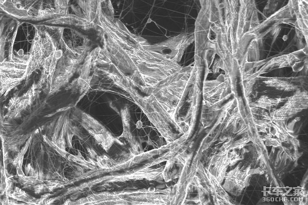
● 金亿利
金亿利未经过揉搓
首先是金亿利的纳米空滤未经过揉搓的显微镜照片,能够清晰地看到大量类似于蜘蛛网的纳米涂层,结构很强且密度较高。
金亿利揉搓后
经过揉搓后显微镜下依然能够看到纳米涂层,并未出现涂层脱落或是滤纸基材破损,再次证明金亿利空滤纳米涂层的强度是值得肯定的。
● 进口品牌
进口品牌未经过揉搓
接下来是进口品牌未经过揉搓的图片,同样纳米涂层也是清晰可见的,但是排列密度相较于金亿利的就差了很多。
进口品牌揉搓后
经过揉搓后可以明显看出,进口品牌纳米涂层基本掉光,只有很少一部分的存留,可见进口品牌的空滤纳米涂层强度一般,未能通过大力揉搓测试。
● 国产小厂
国产小厂未经揉搓
国产小厂未经揉搓的滤纸样本放在显微镜下,通过显微镜观察并没有类似于蜘蛛网一样的纳米涂层。
国产小厂揉搓后
揉搓后的国产小厂滤纸看起来与揉搓前差别不大,可能也就是名字叫纳米空气滤清器,实际跟纳米一点关系没有,整体性能表现较差也就不意外了。
● 试验出真知 效果好不好卡友说了算
通过一系列的测试,金亿利这款针对售后市场推出的高端纳米级空滤,质量到底行不行相信各位卡友心里也有了答案,对于价格方面这款金亿利滤芯价格是普通芯动力滤芯的一倍左右,性价比也是相当高。
国外品牌=顶级质量,确实,之前国产配件质量不过关,导致此类片面的观念深入人心。但在幕后,有无数个像亿利这样的国产零部件企业正在不断努力,通过自己的创新不断缩小、拉近、甚至超越曾经遥不可及的国外高端产品,彻底改变国产零部件低端劣质的形象!让我们自己的卡友用上自己国产的高端配件不再崇洋媚外,也能使中国的配件走向世界,让世界知道中国制造。(文/吴昊宸 图/任海军)








































