【卡车之家 原创】空滤担负着过滤空气杂质的任务,空气如果不过滤,杂质被吸入汽缸后,会加速发动机磨损,甚至造成严重的“拉缸”现象。但是,原厂空滤太贵,一些卡友为了省钱,就在路边店买了便宜货换上,初期可能没啥感觉,甚至觉得“挺好使”,但后期可就麻烦了。
▎要么堵 要么破——纸糊的副厂滤芯
空气滤芯,看似简单的一层纸,实际上是有很多科技含量在里面的。卡车滤芯为了保证大功率发动机的稳定运行,滤芯必须具备足够的过滤效率来保证空气的供应。然而,一些无良商贩生产的滤芯却并不具备大流量的过滤效率。
前一站子,笔者就在一家服务站看到正在检修的一辆卡车。据卡友描述,他的车辆因为动力不足,到修理厂检查。维修人员使用诊断仪检查行车电脑,发现进气流量偏低。
按照由简入繁的方式检查。首先检查空滤,当取出来的时候,发现主滤芯几乎完全堵死,内部安全滤芯更是惨目忍睹,已经吸扁了。
怪不得最近油耗高,车子还没劲!卡友愤愤的说道。
长期使用这种没有过滤效率的空滤,由于发动机长期无法得到足够的空气,油耗高,动力不足是必然情况。而且由于空滤堵住,增压器的进气涡轮端很容易发生窜机油的情况,造成烧机油。
这还不是最严重的,万一滤芯被吸破了,大量灰尘进入气缸,发动机可能会直接拉缸报废。
空滤的另外一大作用是过滤杂质。而劣质空滤的过滤性能十分堪忧。之前卡家实验室的海军老师做过实验,将副厂滤芯进行过滤性测试,发现很多测试灰直接通过了主滤芯的过滤,并进入到安全滤芯,日积月累,发动机就会提前大修。
成立于2003年的亿利集团橡塑集团有限公司(以下简称:亿利集团),专注于商用车配件研发和生产。目前已是一汽解放、中国重汽、东风商用车、奔驰戴姆勒等六十多家汽车主机厂和工程机械制造商的配套产品供货商。其中进气系统配套综合占比为商用车行业第一。
● 自研滤材——“亿利·芯动力”
“亿利·芯动力”是亿利集团在2018年专门针对售后市场推出了全新品牌。
“金亿利”系列产品采用了亿利集团历时3年自主研发的纳米静电滤材,相对于普通的PP材质,纳米静电滤材的纤维采用更高级的PVDF聚偏二氟乙烯(树脂)原材料,具有强度高、耐腐蚀,热稳定性更好的特点,从基础参数上就对其他同类产品形成碾压。
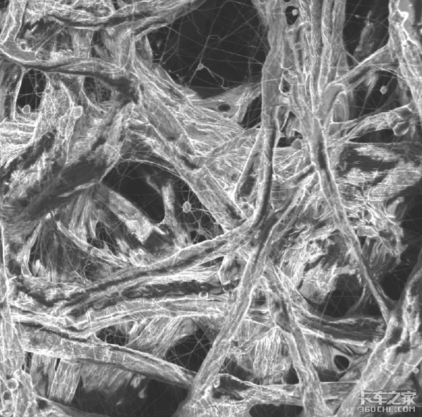
此外,“金亿利”系列空滤的滤材还有一层纳米涂层,这是我们通过电子显微镜拍摄的滤材表面的纳米涂层。我们看到较粗大的白色物体,为滤材本身,而其中像蛛丝一样较细的部分,就是纳米涂层了。
相比粗大的滤材,蛛丝一样的纳米涂层结构可以更加有效的拦截微小的空气杂质,过滤的精度也更高。
此外,这种纳米涂层还有增强滤纸强度、防水耐潮、更长寿命的特点。
通过辅以多种科技,“金亿利”系列空滤的平均使用寿命可达6-10万公里,是普通空滤寿命的三倍以上。
想要购买亿利空滤的卡友可以点击下面链接进入卡车之家商城购买。
卡车之家商城,正品保证。
● 编后语
车是咱们的赚钱工具,只有细心呵护,才能好好赚钱。当然并不是说要将车辆供奉起来,而是以养代修,合理保养,这样才能多挣钱。(文/朱鹏飞)



















