【卡车之家 原创】作为发动机空气的过滤装置,空滤担负着过滤空气杂质的任务。
如果空气不过滤,空气中悬浮的杂质被吸入汽缸后,会加速发动机磨损,较大的杂质颗粒还会进入到活塞与汽缸之间,造成严重的“拉缸”现象。
▎要保证出勤率,除了安全稳定,还要长寿命
卡车的部分工况中,有较多的尘土和灰尘,为了保证发动机良好的进气质量,空滤需要有具备三大特点:
1、过滤精度高。高精度的过滤能保证发动机燃烧做工时空气的洁净度,空气越干净,对发动机汽缸的损伤越小。
2、过滤效率高。中重卡动辄11升,13升的排量,对进气量需求较大,空滤需要在保证过滤效果的基础上提供充足的供气量。
3、质量过关。作为路上跑的卡友,一年365天可能有300天都在路上奔波,空滤必须具备高可靠性和长寿命。
▎八大系列产品 商用车进气配套NO.1
成立于2003年的亿利集团橡塑集团有限公司(以下简称:亿利集团),专注于商用车配件研发和生产。目前已是中国一汽、中国重汽、东风商用车、卡特彼勒、奔驰戴姆勒等六十多家汽车主机厂和工程机械制造商的配套产品供货商。
其中,亿利集团在中国一汽的进气系统配套份额达75%,在福田的进气系统配套份额达50%。2018年,亿利集团通过了严苛的奔驰戴姆勒OSA审核,成为奔驰戴姆勒的供应商。此外,亿利集团还是卡特彼勒工程滚塑油箱的国内唯一合作伙伴。
目前,亿利集团拥有空气滤清器、燃油滤清器、机油滤清器、进气系统、排放处理系统、变速操纵器及软轴、滚塑产品、传感器等八大系列产品。其中进气系统配套综合占比为商用车行业第一。
下面我们就来聊一聊亿利集团的进气系统配套产品——空滤。
▎双品牌战略,配套售后一起抓
亿利集团的空滤目前共有两个品牌,分别是“旺德福”和“亿利·芯动力”。
● 主机配套品质——“旺德福”
“旺德福”是亿利集团针对主机厂推出的配套品牌,采用了HV出品的F8等级高性能滤纸作为原材料,配以高品质PU胶,采用尖端的生产工艺,使“旺德福”空滤在具备原厂配套品质的同时,还有超高的性价比优势。
“旺德福”空滤采用了滤纸折弯工艺,当卡车在重负荷运行时,这种滤纸弯折工艺可以保证滤纸的有效过滤面积,避免因进气压力过大而缩小过滤面积。
● 采用自研滤材——“亿利·芯动力”
“亿利·芯动力”是亿利集团在2018年专门针对售后市场推出了全新品牌。根据产品定位不同,“亿利·芯动力”分为“金亿利”和“银亿利”2个系列。其中白金版和黄金版为“金亿利”系列,标准版为“银亿利”系列。
为了保证产品的质量和性能,“亿利·芯动力”与“旺德福”采用共线生产的模式,确保主机配套相同的高品质产品,保证高性价比优势。
空滤如果密封不佳,未经过滤的空气就会直接进入到汽缸,对缸壁造成磨损。
为了保证密封效果,“亿利·芯动力”系列空滤的密封材料均采用战略合作伙伴——德国巴斯夫定制配方的聚氨酯胶,这种胶具耐候性能好,韧性高,回弹好,在全寿命阶段都有极佳的密封性能。
标准版“银亿利”系列空滤和“旺德福”的参数基本一致,都采用F8等级的滤纸作为滤材,不同的是“银亿利”主打售后市场,而“旺德福”主打原厂配套。
● 芯动力!高端产品用上自家滤材
“金亿利”系列产品采用了亿利集团历时3年自主研发的纳米静电滤材,相对于普通的PP材质,纳米静电滤材的纤维采用更高级的PVDF聚偏二氟乙烯(树脂)原材料,具有强度高、耐腐蚀,热稳定性更好的特点,从基础参数上就对其他同类产品形成碾压。
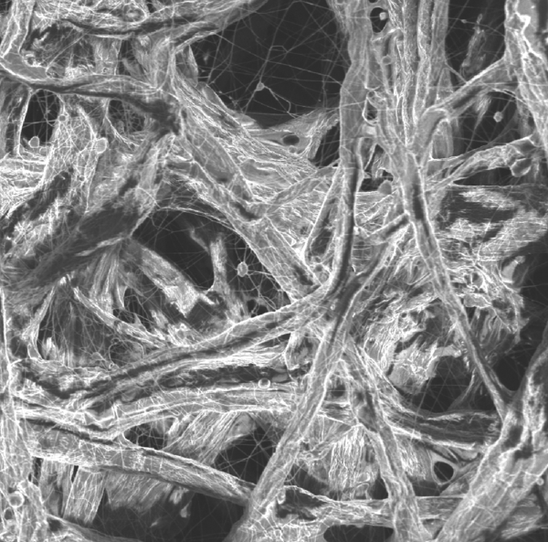
此外,“金亿利”系列空滤的滤材还有一层纳米涂层,这是我们通过电子显微镜拍摄的滤材表面的纳米涂层。我们看到较粗大的白色物体,为滤材本身,而其中像蛛丝一样较细的部分,就是纳米涂层了。
相比粗大的滤材,蛛丝一样的纳米涂层结构可以更加有效的拦截微小的空气杂质,过滤的精度也更高。
此外,这种纳米涂层有以下三大好处:
(1)增强滤纸强度。纳米涂层具有极好的附着力,不管是用气枪吹尘还是用手掸灰,纳米涂层都不会脱落。
一方面增强了滤材强度,保证恶劣工况下滤芯的完整性。换句话说,不管是工地扬尘,还是西北的风沙,都无法对滤材表面造成损坏,将天气对滤芯的影响降到了最低。
(2)防水耐潮。“金亿利”特有拒水纳米涂层,防水耐潮湿,抗污能力强。
一直以来,南方潮湿的气候一直是普通PP材质和纸质空滤的噩梦。潮湿的气候,对普通的空滤寿命造成影响,如果再不按时保养,尘土杂质很容易击破滤材,进入到安全滤芯甚至发动机内部,慢慢的就会对发动机造成“内伤”。
(4)更高效,更长寿命。表层纳米过滤技术很好的平衡了过滤效率和进气量的需求,具备更高过滤效率的同时,对进气阻力影响更低。同时还使粉尘不易粘附堆积,空滤的容灰量更大,保证更长使用寿命。
除此之外,“金亿利”系列空滤在滤材表面还设有多个加强筋。这种加强筋的工艺,可以进一步增加滤材的牢固程度。
当卡车在重负荷工作时,在加强筋的保护下,较大的内外压差也不会让滤材变形、挤压,造成过滤效率的下降。
通过辅以多种科技,“金亿利”系列空滤的平均使用寿命可达6-10万公里,是普通空滤寿命的三倍以上。
金玉其外,金玉也其中。亿利空滤内部做工精细,框架间隔适当。主滤芯和安全滤芯接缝严密,模具无毛刺感,十分具有大厂风范。
此外,亿利空滤的接口处还预涂有一种硅润滑剂。这种润滑剂也进一步提升了密封性和安装便利性,细节之处见真章。
下面,我们通过2张表格的对比来展示亿利空滤的性能。
以2841型号为例,从价格上看,标准版最为实惠,129元的价格就能以极低的价格享原厂空滤品质,可谓性价比超高。比起路边摊的三无产品,129元买个心安,何而不乐?
从里程寿命来看,白金版10万公里的寿命成为全场最佳。想要省事,长更换周期的亿利芯动力白金版一定是最适合您的。
好的空滤对于卡车来说必不可少,而LNG卡车也需要更为纯洁的进气质量。
对进气质量要要求的卡友来说,采用自研滤纸的黄金版和白金版相信是卡友们的首选产品。虽然单次更换的价格略贵,但更换的频次也下降了,同时还有更好的过滤效果,可以算得上是物超所值。
想要购买亿利空滤的卡友可以点击下面链接进入卡车之家商城购买。
卡车之家商城,正品保证。
● 编后语
虽然国产配件的品质上略逊于进口配件。但随着以亿利集团代表的国产品牌的崛起,我们也造出了可以和外国巨头同台竞技的产品。并且,亿利集团让我们看到其产品的做工诚意十足,也难怪除了解放、重汽这些国产大厂外,连奔驰戴姆勒也选择亿利集团作为供应商,亿利集团实力有目共睹。
国货自强!支持中国制造,请卡友们动动小指头转发本文到朋友圈,让更多卡友支持国货,使用国货。(文/朱鹏飞)






























